电压互感器的原理与选择 互感器

电压互感器的原理与选择

1.电压互感器的原理 (1)作用 将一次侧的高电压变为二次侧的标准化低电压(100V), 以便于测量仪表及继电器的小型化、标准化;将一次系统与二次系统在电气方面隔离,同时互感器二次侧必须有一点可靠接地...
阅读全文
电流互感器的原理与选择 互感器

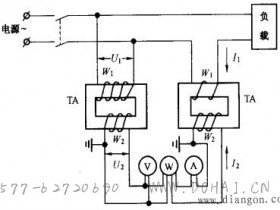
电流互感器的原理与选择

1.电流互感器的原理 (1)作用 将一次系统各回路大电流变为二次侧的5A或1A、0.5A以下的小电流,以便于测量仪表及继电器的小型化、标准化;将一次系统与二次系统在电气方面隔离,同时互感器二次侧须有一...
阅读全文

电流互感器的使用注意事项

1.电流互感器在工作时二次侧不得开路。由于电流互感器二次阻抗很小,正常工作时,二次侧接近于短路状态。当二次侧开路时,会感应出很高的电压,危及人身和设备安全。因此,电流互感器二次侧不允许开路,二次回路接...
阅读全文
如何确定电流互感器的饱和点 互感器

如何确定电流互感器的饱和点

电流互感器运行过程中,会涉及到一个饱和点的问题,由于这会直接影响到电流互感器保护动作的正确性,所以对其要加以确定。在实际应用中,可以通过哪些试验方式对电流互感器的饱和点进行检测呢? 比较直接的确定方式...
阅读全文