空气开关跳闸原因一般有四个:过载保护、电路短路保护、漏电保护、欠电压保护,这四个原因都会造成空气开关跳闸。 空气开关跳闸的情况有以下几种: 1、空气开关电流整定值太低,负荷的功率大于空气开关的额定功率...
断路器
真空断路器的结构和工作原理
真空断路器的生产厂家比较多,型号也较繁杂。按使用条件分为户内( ZNx—**)和户外(ZWx—**)两种类型。主要由框架部分,灭弧室部分(真空泡),和操动机构部分组成。 下面以浙江华仪电器生产的 ZW...
断路器
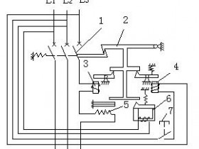
低压断路器结构与选用
低压断路器又称自动开关、空气开关,不但能用于正常情况时不频繁接通和断开电路,而且当电路中出现过载、短路以及失压等故障时,能自动切断故障电路,有效地保护串接在后面的电气设备,因此在电气控制线路中使用广泛...
断路器
断路器的分类与型号含义和电气符号
低压断路器的分类方式很多,按结构形式分有 DW15 、 DW16 、 CW 系列万能式 ( 又称框架式 ) 和 DZ5 系列、 DZ15 系列、 DZ20 系列、 DZ25 系列塑壳式断路器; 按灭弧...
断路器误合闸故障判断处理方法
若断路器未经操作自动合闸,则属“误合”故障。一般应按如下做法判断处理。 1、经检查确认为未经合闸操作 1.手柄处于“分后位置”,而红灯连续闪光。表明断路器已合闸,但属“误合”。 2.应拉开误合...
断路器有哪些型号
断路器主要品种有: 塑壳断路器、塑料外壳式断路器、漏电断路器、小型断路器、高分段小型断路器、高分段小型漏电断路器、小型漏电断路器、照明配电箱、双电源自动切换装置、智能型万能式断路器。 断路器包括空气开...
低压断路器的选用原则
1.根据线路对保护的要求确定断路器的类型和保护形式--确定选用框架式、装置式或限流式等。 2.断路器的额定电压UN应等于或大于被保护线路的额定电压。 3.断路器欠压脱扣器额定电压应等于被保护线路的额定...
真空断路器的维护与状态检修
通过我厂10KV开关的改造证明采用真空断路器改造老系列的开关柜的少油断路器,其技术成熟可行,并具有投资少、见效快,改造期间停电时间短等优点该项技术值得在城网和企业电网的技术改造中推广应用。要确保真...
断路器的常见故障和处理
断路器是接通和切断电路的主要电气设备.由于它的操作非常频繁,因此经常出现一些故障。例如,断路器合不上或拉不开.断路器不正常的自动分闸或自动合闸.泊断路器缺油或油质炭化,断路器操作能源失常,甚至还会...
断路器
智能断路器的操作守则
电力设备是城市建设的关键也是最主要的基础建设。电气设备在各方面都迅速发展,断路器也想智能化趋势发展。为了更好的对智能断路器的使用,下面电工论坛小编给大家介绍智能断路器的操作守则。 (1)断路器允许...
