1.配电系统自动化配电系统自动化是利用现代电子技术、通讯技术、计算机及网络技术,将配电网在线数据和离线数据、配电网数据和用户数据、电网结构和地理图形进行信息集成,构成完整的自动化系统,实现配电系统正常...
变压器和逆变器的区别
逆变器是把直流电源转换成交流电源 ,而变压器是一种应用电磁感应原理实现电能转换的电器设备,它可以把一种电压、电流的交流电能转换成相同频率的另一种电压、电流的交流电能。 简单地说,逆变器就是一种将...
电动机
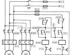
两台电动机顺序启动电路图_三台电动机顺序启动电路图
两台电动机顺序启动电路 某些生产机械有两台以上的电动机,因它们所起的作用各不相同,有时必须按一定的顺序启动,才能保证正常生产,这时就用得如图所示电路。这里以两台电动机M1、M2为例。当按下ST1后,...
各电压等级的工频耐压
工频耐压试验是电气设备产品出厂试验必须要做的工一项试验,比如断路器、负荷开关、接地开关、隔离开关、开关柜在出厂前都要做工频耐压试验,而且必须完全达到要求。那么各个等级的工频耐压试验标准要求是多少呢。下...
什么是欠压保护
欠压保护顾名思义就是电压不够,也可以说电压低于额定电压一定幅度的现象,具体来说电气设备要在额定电压下工作才是最佳的状态,但是电压不可能保持稳定不变,所以一般电压波动的标准要求范围是在±15%内...
电工基础
什么是工频耐压试验
了解什么是工频耐压试验之前来看看工频,工频是指交流电力系统的标称频率值,我国电力系统的工频为50Hz,我们把50Hz简称为称工频。工频耐压试验是使用工频耐压设备将高一定的高电压加载加电气设备如断路器、...
什么是二合一电气联锁
在供电线路中如果两不同电源并网,在相位角不同时,会产生重大事故,所以必须保证这两路线路不能同时运行,也就是只能运行一路线路那么可以使用二合一电气联锁来实现这个要求,比如低压成套设备产品都会使用...
什么是三合一电气联锁
在电气设备中由于同时使用多台相同的产品,但这么多产品又不能同时运行,否则会产生相当严重的电气事故,因此必须使用电气联锁技术来实现控制不同产品同时运行的问题,在你低压中常用的是三合一电气联锁。 ...
交流空开和直流空开能否通用
交流空开和直流空开是否可以通用,首先来说理论上肯定是不行的,不然就不会交直流之分了,主要原因还是因为灭弧问题,直流空开因为直流电产生的电弧大所以灭弧性能做的比交流空开的要好,如果使用交流空开代...
电流互感器安装位置
电流互感器是供给测量仪表和继电保护装置启动用电流的电源。同时,由于运输、搬装等原因,在安装电流互感器之前,必须先进行外观检查;检查瓷体外表是否有掉落、裂纹等现象;法兰盘有无裂纹;穿心导电杆固定是否牢固...
