为了便于电气控制系统的设计、分析、安装、调整、使用和维修,需要将电气控制系统中各电气元件及其连接,用一定的图形表达出来。电气图的种类很多,不同种类电气图的表达方式和适用范围,国标GB6988系列已作了...
电流互感器变比怎么计算使用
低压电流互感器计算方式是:(当月抄见电量—上月底数)乘以电流互感器变比。例如:本月100KWH—上月50KWH=50*50/5,当月实际用电500KWH. 10KV计量是:例如:本月100...
计量电流互感器变比选择
电流互感器的额定电压UN应与被测线路的电压UL相适应,即UN≥UL。 额定变比的确定额定变比的确定额定变比的确定额定变比的确定通常根据电流互感器所接一次负荷来确定额定一次电流I1,即: ...
夏季如何保证电气设备安全运行
夏季潮湿闷热,给各企业电气设备安全运行带来不少威胁,如何保证电气设备安全运行?小编建议作好如下防范: 1.建立电气设备定期巡检制度。企事业单位用电管理部门,应建立电气设备定期巡视检查制...
电工基础
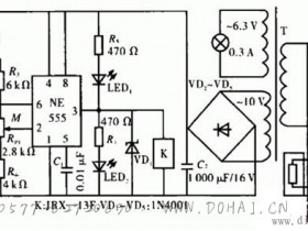
过电流保护原理图
当电动机启动时,按一下带锁扣式按钮SBi,启动结束(电动机转速稳定后),再按一下SBi,这时保护电路投入工作。对于启动时间短(如数秒)的电动机,SBi也可采用普通按钮,只要在启动过程中一直按着SB...
家装插座安装注意事项
插座安装应注意以下几点: (1)插座的安装高度,当设计有规定时应按设计要求安装;当设计不明确时,一般应符合下列要求:带有安全门的插座不低于0.3M。不带安全门的插座不低与1.8M。建议尽可能购买...
