矢量控制的变频调速系统 变频器_软启动器

矢量控制的变频调速系统

异步电机的数学模型是一个高阶、非线性、强耦合、多变量的系统,通过坐标变换,可以使之降阶并解耦,但是并没有改变其非线性、多变量的本质。在标量控制中,动态性能不够理想,调节器的参数很难设计,究其原因在于仍...
阅读全文
直流调速用可控直流电源 变频器_软启动器

直流调速用可控直流电源

改变电枢电压调速是直流调速系统采用的主要方法,调节电枢供电电压或者改变励磁磁通,都需要有专门的可控直流电源,常用的可控直流电源有以下三种: (1)旋转变流机组。用交流电动机和直流发电机组成机组,以获得...
阅读全文
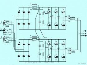
变频器主电路工作原理 变频器_软启动器

变频器主电路工作原理

不同系列交-直-交变频器内部的主体电路基本相同,变频调速过程中出现的许多现象,都可通过主体电路来进行分析。因此,熟悉主体电路的结构,透彻了解各部分的原理,具有十分重要的意义。 一、 交直变换 交-直变...
阅读全文