1、安装前应先检查线圈的额定电压、额定电流等技术数据是否符合要求;检查接触器触头接触是否良好,有无卡阻现象;对新安装的接触器应擦净铁芯表面的防锈油。 2、接触器一般应安装在垂直面上,倾斜度不得超过5°...
接触器
交流接触器的选择方法
1、类型的选择:根据电源选择直流或交流接触器。 2、主触点额定电压的选择:大于等于负载额定电压。 3、主触点额定电流的选择:额定电流大于计算值。 4、线圈电压:等于控制电路工作电压。 交流接触器型号的...
接触器
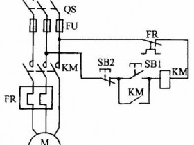
接触器控制电动机单向连续运转控制电路
1.电路的构成 主电路--由刀开关、熔断器、接触器的常开主触头、热继电器热元件与电动机构成。 控制电路--由启动按钮、停止按钮、接触器的线圈和常开辅助触头,热继电器的常闭触头和控制回路熔断器...
接触器
接触器的工作原理和符号
工作原理:当吸引线圈通入电流后,产生磁场,磁通经静铁心、动铁心(也称为衔铁)和工作气隙形成闭合回路,产生电磁吸力,该电磁吸力克服作用在动铁心上弹簧的反作用拉力,将动铁心吸向静铁心,动铁芯通过机械联动机...
接触器
接触器的构造
接触器主要由电磁机构、触头系统、灭弧装置等部分组成。 一、电磁机构 1.电磁机构的组成: 吸引线圈1,静铁心2,动铁心3,气隙 2.铁心的结构形式: 单E形,双E形,U形,甲壳螺管形 3.动作形式:直...
接触器
交流接触器的结构与工作原理
接触器是一种电磁式自动开关。它用于电动机频繁起动和远距离控制,使操作更加安全方便。接触器是应用较多的主要低压电器之一。 接触器是靠电磁力操作的,按操作电源不同可分为直流和交流两大类。两类结构大致相同。...
接触器
交流接触器工作原理与选用
接触器是一种用于频繁地接通或切断带有负载的主电路的自动控制电器。按照接触器主触头通过电流的种类,可分为交流接触器和直流接触器。 交流接触器工作原理 交流接触器是根据电磁...
接触器
交流接触器自锁正转控制线路的工作原理分析
1.三相异步电动机的自锁控制线路的工作原理分析 接触器自锁正转控制线路原理图 (1)启动: 当松开SB2,其常开触头恢复分断后,因为接触器KM的常开辅助触头闭合时已将SB2短接,控制电路仍保持接通,所...
接触器
接触器的结构与构造
接触器结构:由电磁系统、触头系统、灭弧装置、复位弹簧等几部分构成。 电磁系统:包括可动铁心(衔铁)、静铁心、电磁线圈; 触头系统:包括用于接通、切断主电路的大电流容量的主触头和用于控制电路的小电流容量...
接触器
接触器的图形符号和文字符号
交流接触器工作原理:当电磁线圈接受指令信号得电后,铁心被磁化为电磁铁,产生电磁吸力,当克服弹簧的反弹力时使动铁心吸合,带动触头动作,即常闭触头分开、常开触头闭合;当线圈失电后,电磁铁失磁,电磁吸力消失...
