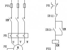
三相异步电动机的启动控制电路 电动机

三相异步电动机的启动控制电路

   三相笼型异步电动机有直接启动和降压启动两种方式。直接启动简单、可靠、经济。但由电工学知道,三相笼型异步电动机的直接启动电流是其额定电流的4~7倍。因此,功率大的电动机直接启动时,过大的启动电流会...
阅读全文
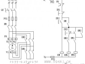
星三角换接减压起动 电动机

星三角换接减压起动

用于星三角换接减压起动三相异步电动机定子绕组中有六个接线端子U1、V1、W1、W2、U2及V2,见图。起动时KM主触头和KM1主触头闭合、KM2主触头断开,接线端子W2-U2-V2互连,定子绕组暂接成...
阅读全文
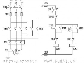
定子绕组串电阻减压起动控制 电动机

定子绕组串电阻减压起动控制

定子绕组串电阻减压起动控制线路中电动机起动时,在电路中串电阻,可使电动机定子绕组电压降低,起动结束后再将电阻切除,使电动机在额定电压下运行。 定子绕组串电阻减压起动 a)主电路  b)控制电路    ...
阅读全文
机电设备多点控制 电动机

机电设备多点控制

       多点控制线路见图。根据机电设备操作人数有单人多点控制与多人多点控制两种控制线路。         单人多点控制          单人操作的大型机电设备为了操作方便,常要求在两个或两个以...
阅读全文
电动机点动连续双重控制 电动机

电动机点动连续双重控制

图中各控制线路具有点动控制与连续控制的双重功能。图a)控制线路中通过手动开关SA实现点动与连续控制的切换。SA置于“断”位置,按钮SB2是一个点动按钮;SA置于“通”位置,按钮SB2转换为起动连续控制...
阅读全文
电动机容量的选择原则及方法 电动机

电动机容量的选择原则及方法

选择电动机容量根据的三项基本原则是: 1、发热:保证电机实际最高温度等于或小于电机绝缘的允许最高温度。 2、过载能力:电动机在运行时必须有一定的过载能力。特别是短期工作时主要考虑它。 3、启动能力:为...
阅读全文