电气控制系统分析的基本要求是通过对设备说明书、电气原理图、安装布置图、接线图以及其他各种技术资料的阅读分析,掌握生产设备的工作原理、控制过程和控制方法,为设备的安装、调试、维护修理及设备的合理使用打下...			
			
										
												
							
				
	电气原理图阅读分析的方法和步骤
				电气原理图阅读和分析的方法步骤如下: 1 .分析主电路     从主电路入手,根据每台电动机和执行电器的控制要求去分析它们的控制内容。控制内容包括起动、转向控制、调速、制动等。 2 .分析控制电路  ...			
			
										
												
							
				
	 电动机
						电动机
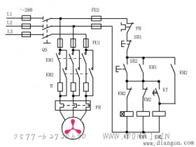
					三相交流异步电动机的调速控制电路
				由三相交流异步电动机的转速公式 可知,要改变异步电动机的转速,可采用改变电源频率 f 1 、改变磁极对数 p 以及改变转差率 s 等 3 种基本方法。 1、变极调速原理     改变异步电动机定子绕组...			
			
										
												
							
				
	 电动机
						电动机
					电动机常用的制动控制方法
				所谓制动,就是给正在运行的电动机加上一个与原转动方向相反的制动转矩迫使电动机迅速停转。电动机常用的制动方法有机械制动和电气制动两大类。 1、机械制动控制电路 利用机械装置使电动机断开电源后迅速停转的方...			
			
										
												
							
				
	 电动机
						电动机
					鼠笼式异步电动机常用的降压起动方法
				电动机直接起动时, 定子起动电流 约为额定电流的 4 ~ 7 倍。过大的起动电流将将影响接在同一电网上的其他用电设备的正常工作,甚至使它们停转或无法起动。因此往往采用降压起动。 鼠笼式异步电动机常用的...			
			
										
												
							
				
	 电工基础
						电工基础
					自锁控制电路
				接触器自锁控制电路的动画演示 如下图所示,在点动控制电路的基础上它又在控制回路增加了一个停止按钮 SB1 ,还在起动按钮 SB2 的两端并接了接触器的一对辅助动合触点 KM 。  自锁控制电路动画演示...			
			
										
												
							
				
	 电工基础
						电工基础
					点动控制电路
				点动控制电路是用按钮和接触器控制电动机的最简单的控制线路,其原理图如下图所示, 分为主电路和控制电路两部分。 图 点动控制电路    电路工作原理如下: 首先合上电源开关 QS 。 起动:    停止...			
			
										
												
							
				
	 电工基础
						电工基础
					电气图绘制规则和符号
				电气控制线路是由许多电器元件按照一定的要求和规律连接而成的。 将电气控制系统中各电器元件及它们之间的连接线路用一定的图形表达出来,这种图形就是电气控制系统图,一般包括电气原理图、电器布置图和电气安装接...			
			
										
												
							
				
	 电工基础
						电工基础
					熔断器的分类与型号含义和电气符号
				熔断器的熔体与被保护的电路串联,当电路正常工作时,熔体允许通过一定大小的电流而不熔断。当电路发生短路或严重过载时,熔体中流过很大的故障电流,当电流产生的热量使熔体温度升高达到熔点时,熔体熔断并切断电路...			
			
										
												
							
				
	 断路器
						断路器
					断路器的分类与型号含义和电气符号
				低压断路器的分类方式很多,按结构形式分有 DW15 、 DW16 、 CW 系列万能式 ( 又称框架式 ) 和 DZ5 系列、 DZ15 系列、 DZ20 系列、 DZ25 系列塑壳式断路器; 按灭弧...			
			
										
												
							
				
	
