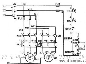
一、顺序控制线路 在装有多台电动机的生产机械上,各电动机所起的作用不同,有时需要按一定的顺序起动才能保证操作过程的合理和工作的安全可靠。这些顺序关系反映在控制线路上,称为顺序控制。图1所示为两台电动机...			
			
										
												
							
				
	 电动机
						电动机
					 电动机
						电动机
					 电动机
						电动机
					 电动机
						电动机
					 电动机
						电动机
					 电工基础
						电工基础
					 电工基础
						电工基础
					 电工基础
						电工基础
					 电工基础
						电工基础