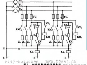
在三相四线电路中,三相电流的相量和等于零,即Ia+Ib+IC=0 如果在三相四线中接入一个电流互感器,这时感应电流为零。当电路中发生触电或漏电故障时,回路中有漏电电流流过,这时穿过互感器的三相电流相量...
电气火灾监控系统
名词解释:也称——电气火灾监控系统或漏电火灾报警系统,由监控设备、剩余电流式电气火灾监控探测器、通信系统组成。 工作原理:通过探测线路中的漏电流的大小来判断火灾发生的可能性,漏电流是通过探测电气线路三...
怎样判断电缆头的质量好坏
敷设电缆时,两端要与电气设备或线路连接,长度不够的各段电缆又要相互连接,通常把电缆线路的末端接头叫做终端头,电缆线路相互连接的接头叫做中间接头,二者总称为电缆头。运行经验证明,电缆头是电缆线路的薄弱环...
防雷浪涌保护器的防护等级
防雷浪涌保护器第一级保护。目的是防止浪涌电压直接从LPZ0区传导进入LPZ1区,将数万至数十万伏的浪涌电压限制到2500—3000V。 入户电力变压器低压侧安装的电源防雷器作为第一级保护时应为三相电压...
三相电接法
三相电在电源端(或称变压器)和负载端均有星形和三角形两种接法。 三相电的星形接法是将各相电源或负载的一端都接在一点上,而它们的另一端作为引出线,分别为三相电的三个相线。对于星形接法,可以将中点(称为中...
电工基础
电路及电路的组成
什么是电路?电路是电流流通的路径(就好比水流通需要河道一样,电路就相当于河道,电流就相当于河水),其作用是传递和分配电能,并使电能和其他形式的能量相互转换(比如将电能转换成热能烧水或取暖等)。 电路的...
防雷与接地基础知识
1.过电压:过电压可分为大气过电压(雷电过电压)和内部过电压。 2.雷云对地放电通常可分为三个阶段:先导放电、主放电和余辉放电。 3.雷电过电压:直击雷过电压和感应雷过电压。 4.接地装置:工作接地、...
电气设备及配电装置基础知识
1.电弧:当断开电路中有电流通过的开关时,在开关的触头之间可以看到强烈而刺眼的亮光,这便是电弧。 开关电弧外部特征:①电弧是强功率的放电现象;②电弧是一种自持放电现象。 2.去游离的主要方式:①复合:...
电工基础
三相四线制电源中的中性线
中性线就是从星形接法的三相绕组的中性点N引出的导线。三相四线制电源对于三相对称负载可以接成三相三线制不需要中性线,可在现实中,由于照明、动力等混合负荷供电,三相负荷往往不能平衡,便不能接成三相三线制,...
电工操作技术
一、一般要求 1、 所有绝缘、检验工具,应妥善保管,严禁他用,并应定期检查、校验。 2、现场施工用高低压设备及线路,应按照施工设计及有关电气安全技术规程安装和架设。 3、线路上禁止带负荷接电或断电,...
