在工业控制中,某些输入量(如压力、温度、流量、转速等)是连续变化的模拟量,某些执行机构(如伺服电动机、调节阀、记录仪等)要求PLC输出模拟信号,而PLC的CPU只能处理数字量。模拟量首先被...
PLC模拟量接线
两线制电流和四线制电流都只有两根信号线,它们之间的主要区别在于:两线制电流的两根信号线既要给传感器或者变送器供电,又要提供电流信号;而四线制电流的两根信号线只提供电流信号。因此,通常提供两线制电流信...
三菱FX3G系列PLC与FX1N系列PLC的区别
1.FX3G系列三菱PLC本身有两路高速编程接口,其中RS422接口速度为115.2kbps,另一个通讯接口为迷你USB2.0,最大12Mbaud,这是目前小型三菱PLC中第一个本身带有USB...
PLC
十字路口双向交通灯plc梯形图程序设计
1、十字路口双向交通灯自动控制系统动作要求如时序图所示。 2、思考问题 (1).该控制系统是否属于顺序控制?是哪种结构? PLC程序设计方法比较 下面将经验设计法和顺序控制设计法进行适当比较,以...
PLC
PLC模拟量控制变频器
1.PLC模拟量模块输出的0-10v电压或者4-20mA电流都可以接到变频器上,实际生产中也是这样使用的。还有你说的电位器控制,也要接变频器端子1和2的10V电压,见上传图片--变频器接线图。2.模拟...
PLC
LOGO! 如何通过增/减计数器实现单按钮启停功能?
利用LOGO!的加减计数器可以在 LOGO! Soft Comfort的FBD编程环境下方便的实现单按钮启停功能,详细步骤见文档示例。 1 增/减计数器简介 1.1增/减计数器功能及引脚 根据参数...
PLC
BCD码转换错误 如何查找错误位置
如何查找错误位置,在线硬件监控cpu状态信息的“诊断缓冲区”,点击错误信息标条,下侧点击“打开块”,系统自动指向错误位置。引起错误的原因可能有转换数值超范围等。
PLC程序的现场调试步骤
PLC程序开始调试时,设备可先不运转,甚至了不要带电。可随着调试的进展逐步加电、开机、加载,直到按额定条件运转。具体过程大体是: 一、要查接线、核对地址。要逐点进行,要确保正确无误。可不带电核...
PLC在上载和下载过程中的步骤
PLC下载就是把编辑好的程序,设置,参数,以及注释下载到PLC中,上载就是把程序,设置,参数,以及注释等上传到电脑梯形图编辑软件中,并可以保存,下面就PLC在上载和下载过程中的步骤做下介绍。 1...
PLC
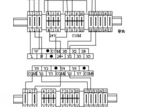
PLC接线端子排安装接线图
系统集成工程中,一般输入输出设备不可能都直接与的多个输入输出端子公用一个端,也不可能在一个端子上连接几根甚至十几根导线,所以,必须通过端子排连接。 接线端子排通常是由多片端子并排安装在导轨...
