1、对于电源部分,电源的合理处理,抑制电网引入的干扰 对于电源引入的电网干扰可以安装一台带屏蔽层的变比为1:1的隔离变压器,以减少设备与地之间的干扰,还可以在电源输入端串接LC滤波电路。 2、对于安装...

PLC程序仿真调试
S7-PLCSIM与STEP 7编程软件集成在一起,可代替PLC硬件,进行用户程序调试及仿真,实现在程序开发阶段发现和排除错误,降低试车费用的目的。 1.调出S7-PLCSIM ...

PLC梯形图程序生成
异步电动机星三角起动控制采用线性编程,所以在星三角起动项目中进入SIMATIC 300 Station\CPU315(1)\S7 Program(1)\Blocks目录,仅有OB1主程序组织块。双击O...

西门子PLC的机架硬件组态
项目生成后需在STEP 7中进行机架硬件组态,即生成一个与机架上实际的硬件配置相一致的硬件系统。以异步电动机星-三角减压起动PLC控制系统为例,其机架硬件配置见图,机架0上由电源模板(PS307 2A...

STEP7软件创建项目过程
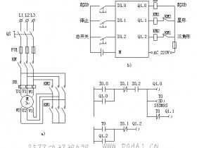
图示异步电动机星-三角降压起动的主电路和PLC的外部接续图。由于控制用PLC程序简单,所以采用线性化编程方式。 异步电动机星-三角减压起动控制 a)控制主电路 b)PLC外部接线图 c)PLC控制...

PLC定时器指令
S7-300有五种类型的定时器,三种类型的计数器。定时器与计数器的数量取决于CPU型号。定时器与计数器是PLC的重要编程元件,用于产生各种控制需要的时序,满足各种控制要求。 ...

PLC置位复位指令
图示为置位指令S和复位指令R的梯形图和语句指令程序,置位复位指令根据RLO的值决定地址位的状态值是否需要改变。当S前面的RLO为1时,执行置位指令,相应地址的状态置为1,反之,RLO为...

PLC控制触头与编程元件关系
PLC输入接口端接入的控制触头有常开与常闭两种类型,控制触头类型将决定PLC内部触头常开与常闭的类型及其程序。 例: S7-300输入端口上接入的控制按钮类型各不相同,...

PLC常开触头与常闭触头和异或指令
1.常开触头对应指令 最基本的标准指令有三条,分别为A、O、=。其中A对应继电器控制线路中的串联连接,O对应继电器控制线路中的并联连接,=则对应相对应继电器控制线路中的...
西门子PLC符号名编址方法
S7-300有两种编址方法,前述为根据机架及安装槽位编址范围进行编址,称为绝对编址方法。而通过用符号名表示特定的绝对编址号并建立符号数据库保存符号名的编址方法,称为符号名编址。例Q4.0可用符号名In...