在农业实际生产中,电动机的使用最多,农用电动机的选用与维护问题是令农民困惑的一大难题。解决了这一难题的关键,除了充分了解自己需求的电动机情况外,最有效的是了解选用电动机的方法及掌握电动机的维护常识。 ...			
			
										
												
							
				
	三相异步电动机故障判断与排除
				正常运行的电动机,其电压、电流、温升和转速都应保持在额定范围内。运行时不应有剧烈的振动和异常的响声等。如果电动机运行不正常,则必然会发生异常现象,如电流过大、温升过高或发生振动,甚至冒烟有异味等。造成...			
			
										
												
							
				
	电动机故障的测试方法
				在电动机的维护过程中,有时候就算是同一种故障形势,这一故障产生的原因也可能是有着很大区别的,如果想要更为快速而且精确的做好具体故障诱因的判断,那么大家就需要更加深入详细的做好检测分析。然而,小编提示,...			
			
										
												
							
				
	 电动机
						电动机
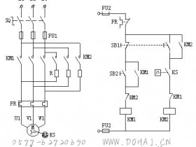
					三相异步电动机按顺序工作时的联锁控制
				控制原理图如图1所示,其控制工作原理为: 主电路: (1)三相交流电源经QS、FU1、KM1的主触点、FR1的热元件,到达电动机M1的三相定子绕组; (2)三相交流电源经QS、FU1、KM2的主触点、...			
			
										
												
							
				
	 电动机
						电动机
					直流电动机的工作特性
				直流电动机的运行特性有:工作特性,起动,调速。工作特性是选用直流电动机的一个重要依据。当端电压为额电压,电枢回路无外串电阻,励磁电流为额定励磁电流时,电机转速,电磁转矩 ,和效率 与输出功率 之间的关...			
			
										
												
							
				
	分析电机时常用的基本电磁定律
				全电流定律 设空间有N根载流导体,导体中的电流分别为i1、i2、i3……, 环绕载流导体任意取一闭合路径L,设H为沿该回路上各点切绕方向上的磁场强度,则H沿闭合回路L上的线积分等于该闭合回路中所包围的...			
			
										
												
							
				
	 电动机
						电动机
					单向反接制动控制线路
				反接制动通过改变异步电动机定子绕组中三相电源的相序,从而产生一个与转子惯性转动方向相反的制动转矩,实现制动。 反接制动时,转子与旋转磁场的相对速度接近两倍同步转速,所以定子绕组中流过的反接制动电流相当...			
			
										
												
							
				
	 电动机
						电动机
					时间原则控制的单向能耗制动线路
				        所谓能耗制动,就是在电动机切断三相交流电源的同时,在定子绕组中通入直流电流,利用电磁感应电流与静止磁场作用产生电磁制动转矩实现制动。 时间原则控制的单向能耗制动控制线路中电动机正常运转...			
			
										
												
							
				
	 电动机
						电动机
					电动机正反转自循环运动控制电路图原理
				平面磨床工作台运动示意图中行程开关SQ1、SQ2安装在工作台运动部件的。左右两个极限位置,工作台上还安装左右两个挡铁。 平面磨床工作台的往返自循环运动         起动后,工作台运动向右运动至右极...			
			
										
												
							
				
	 电动机
						电动机
					电动机正反转停控制电路图原理
				电动机正-反-停控制电路中当按下复合按钮SB2时,KM1线圈通电,并通过KM1动合辅助触头自锁。同时KM2因所在支路中的联动按钮SB2的动断触头断开而确保断电,主电路中KM1主触头闭合、KM2主触头断...			
			
										
												
							
				
	
