机电控制系统的基本组成结构 机械维修

机电控制系统的基本组成结构

    *机电控制是研究如何设计控制器并合理选择或设计放大元件、执行元件、检测与转换元件、导向与支承元件和传动机构等,并由此组成机电控制系统使机电设备达到所要求的性能的一门科学,在机电一体化技术中占有...
阅读全文
XA6132铣床电气控制原理分析 机床

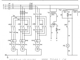
XA6132铣床电气控制原理分析

该机床共有三台电动机:M1是主轴电动机,M2是工作台进给电动机,M3为冷却泵电动机。 XA6132普通铣床电气原理图 主轴电动机M1由正、反接触器KM1、KM2实现正反向运行直接启动,由热继电器FR2...
阅读全文
C650型卧式车床电气控制线路 机床

C650型卧式车床电气控制线路

C650型卧式车床电气控制线路         C650型卧式车床共有三台电动机:    M1为主轴电动机,拖动主轴旋转并通过进给机构实现进给运动,主要有正转与反转控制、停车制动时快速停转、加工调整时...
阅读全文

电梯安全知识问答

一、电梯会掉吗 电梯会掉下来吗?这样的担心在许多乘过梯的人有此顾虑或凝问。其实,现代电梯不仅自动化程度很高,而且非常安全。这缘于1854年,在纽约水晶宫展览会上,现代电梯先驱奥的斯先生展示了他发明的安...
阅读全文
并联运动机床与传统机床的比较 机床

并联运动机床与传统机床的比较

 并联运动机床与传统机床的结构见下图所示。                   并联运动机床与传统机床的比较   并联运动机床是以机床框架为固定平台的若干个杆件组成空间并联机构,主轴部件安装在并联机构...
阅读全文
加工要素的测量与加工仿真 机床

加工要素的测量与加工仿真

零件几何要素和数控铣削加工中常用到的量具,是零件加工要素的测量的基础。  1、零件几何要素   零件不论其结构特征如何,都是由一些简单的点、线、面组成,这些点、线、面统称为几何要素。形状是一个要素本身...
阅读全文
数控加工中心换刀 机床

数控加工中心换刀

数控加工中心上的自动换刀装置由刀库和刀具交换装置组成,用于交换主轴与刀库中的刀具或工具。 1、对自动换刀装置的要求   1)刀库容量适当 2)换刀时间短 3)换刀空间小 4)动作可靠、使用稳定 5)刀...
阅读全文
数控加工中的对刀及定位装置 机床

数控加工中的对刀及定位装置

对刀是用刀具或对刀工具确定工件坐标系与机床坐标系之间的空间位置。它是数控加工中最重要的操作内容,其准确性将直接影响零件的加工精度。 1、对刀   确定工件坐标系原点的过程称为对刀。零件装夹固定在机床工...
阅读全文
刀柄的用法 机床

刀柄的用法

刀柄是机床主轴与刀具之间连接的工具,熟悉刀柄结构形式和尺寸,以便使刀具在主轴和刀库上进行安装。 1、刀柄的作用   刀柄的作用如图1所示。数控铣床和加工中心的刀具由两部分组成,即刀柄和刀具本体。刀柄是...
阅读全文
数控铣床的一般操作方法 机床

数控铣床的一般操作方法

1、数控铣床的控制面板   数控铣床配置的数控系统不同,其操作面板的形式也不相同,但其各种开关、按键的功能及操作方法大同小异。 FANUC系统的操作面板如图下所示。 2、开关机操作   (一)开机 打...
阅读全文