一、凡在高地面2米及以上的地点进行的工作,都应视作高处作业。凡能在地面上预先作好的工作,都必须在地面上作,尽量减少高处作业。 二、担任高处作业人员必须身体健康,患有精神病、癫痫病及经医师鉴定患有高血压...
电工基础
节点电压法例题
例题1 图示电路中, , , ,用结点电压法求各支路电流。 解 :选结点d为零参考点,对独立结点a,b,c分别列结点电压方程为 代入有关数据,得 解得: 各支路电流为 I2=(Ua-Ub) /R2=(...
学看电气控制线路图
电气原理图一般分为电源电路、主电路、控制电路、信号电路及照明电路。 原理图可水平布置,也可垂直布置。 水平布置时,电源电路垂直画,其他电路水平画,控制电路中的耗能元件画在电路的最右方。 垂直布置时,电...
电工基础
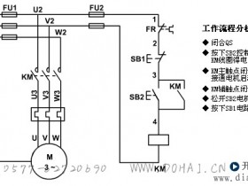
点动控制电路原理图解
点动控制是指按下按钮电动机得电起动运转,松开按钮电动机失电直至停转. 控制线路原理图如下所示: 工作原理: 启动:按下起动按钮SB→接触器KM线圈得电→KM主触头闭合→电动机M启动运行。 停止:松开按...
电工基础
长动控制线路原理图解_长动控制线路项目小结
长动,是在按下按钮后,接触器的线圈的电吸合后,接触器自身带的辅助触点也同时吸合,从而即使按钮送开后接触器的线圈还因辅助触点接通,始终处于吸合状态而得电,只有按下停止按钮后才会断开.使电动机停止。控制原...
电工基础
熔断器是什么?熔断器的作用_熔断器的用途_熔断器分类
熔断器是一种简单而有效的保护电器,在电路中主要起短路保护作用。 熔断器主要由熔体和安装熔体的绝缘管(或盖、座)等部分组成。其中熔体是主要部分,它既是感测元件又是执行元件。熔体是由不同金属材料(铅锡合金...
短路保护和过载保护的区别
时间过的真快,一转眼3月16了,本站逐渐恢复正常更新,希望更新的内容对大家有所帮助。 短路保护是在电路发生故障,比如不经过负载,导线的电阻几乎可以忽略不计,因此瞬间产生的极大的电流提供切断电源,防止设...
恒转矩和恒功率的根本原因
这是为什么存在恒转矩和恒功率的根本原因,只要这点不变,目前任何方法制造的变频器都无法超出基频运行在恒转矩。 下面我对这点进行详细的解释,让楼主能有所理解 电动机为什么能实现调速,有个公式:n=60f/...
电涌保护器前安装空气开关或熔断器的作用
电涌保护器在低压配电系统中的主要作用是保护用电设备不受雷电浪的侵害,同时也具有防过电压的功能。电气设计师在设计配电系统图的时候会在电涌保护器前添加空气开关或者熔断器。那么,电涌保护器前装有空气开关或熔...
电工基础
电涌保护器安装接线方法
1、连 接 连接长度应尽量短。实际上,设备保护的本质之一是使得回路的最大电压小于设备的最大耐受电压。电涌保护器的保护水平需要根据具体的被保护设备做最合适的选择。连接的总长度L=L1+L2+L3(如图1...
