作为刚刚从事电工工作的人,总是会觉得这也难,那也难,这是正常的。要从哪入手,是每个电工都要经历的,我在此介绍我从事电工工作及我所带的电工工作情况,谨供参考。 1、要熟悉电工符号,明白电工的基本线图(自...			
			
										
												
							
				
	 电工基础
						电工基础
					变频电动机与异步或同步电动机的区别
				一、普通异步电动机都是按恒频恒压设计的,不可能完全适应变频调速的要求。以下为变频器对电机的影响   1、电动机的效率和温升的问题 不论那种形式的变频器,在运行中均产生不同程度的谐波电压和电流,使电动机...			
			
										
												
							
				
	如何避免接地电阻不准确?
				1.在测接地电阻时,有哪些因素造成接地电阻不准确,如何避免?   A)接地系统(地网)周边土壤构成不一致,地质不一,紧密、干湿程度不一样,具有分散性,地表面杂散电流、特别是架空地线、地下水管、电缆外皮...			
			
										
												
							
				
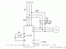
	 电工基础
						电工基础
					常见偷电的基本方法及案例
				一、欠压法偷电 偷电者采用各种手法故意改变电能计量电压回路的正常接线,或故意造成计量电压回路故障,致使电能表的电压线圈失压或所受电压减少,从而导致电量少计,这种偷电方法就叫欠压偷电法。 下面,我们看看...			
			
										
												
							
				
	单相接地故障的处理步骤
				(1) 发生单相接地故障后,值班人员应马上复归音响,作好记录,迅速报告当值调度和有关负责人员,并按当值调度员的命令寻找接地故障,但具体查找方法由现场值班员自己选择。 (2) 先详细检查所内电气设备有无...			
			
										
												
							
				
	电气控制电路和控制设备的故障分析及预防措施
				断路器投入错误。每当设备进行检验修理或改造作业完工后,需要将断路器重新投入电源,以便确认电路运行是否已恢复正常。生产设备的电源电路由动力电路和控制电路两部分组成。一般来说,应首先激活控制电路的电源,继...			
			
										
												
							
				
	电工线路电流的记算
				在选用导线、开关和保险丝时,会涉及到负载电流的记算问题。 1.白炽灯、电热器的电流计算 当供电电流为220伏单相时,电流(安)= 功率(瓦)/  220(伏) 当供电电流为380伏单相时,电流(安)=...			
			
										
												
							
				
	电工电子设备防触电保护分类
				1.设备分类。分类的数字只表示设备防触电保护所采用的方式,并不反映设备的安全等级。 (1)0类设备。仅靠基本绝缘作为防触电保护的设备,当设备有能触及的可导电部分时,该部分不与设施固定布线中的保护(接地...			
			
										
												
							
				
	电压偏差的允许值
				1.根据《电能质量供电电压允许偏差》(GB 12325-2003)规定: (1)35kV及以上供电电压正、负偏差的绝对值之和不超过标称系统电压的10%。 (2)10kV及以下三相供电电压允许偏差为标称...			
			
										
												
							
				
	改善电压偏差的措施
				1.就地进行无功功率补偿及时调整无功补偿容量。无功负荷的变化在电网各级系统中均产生电压偏差,因此就地进行无功功率补偿及时调整其补偿量是最有效的措施,具体做法有: (1)就地设置并联电容器装置并适当分组...			
			
										
												
							
				
	
