运行中电能表出现潜动,应满足两个条件。(1)电能表的电流线圈中应无电流;(2)电能表铝盘应连续转动在一整圈以上。 同时满足上述两个条件才能定为电能表的潜动。电压在额定值的80%~110%范围以外引起的...
电工基础
联锁控制及远动控制
1.联锁控制 要求:KM1通电后不允许KM2通电。 要求:KM1通电后,才允许KM2通电,KM2释放后,才允许KM1释放。 2.两地控制 关于两地控制是实现远动控制的手段,其实质就是将各地点的常开按钮...
星三角起动热继电器整定电流计算方法
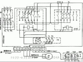
星三角起动热继电器整定电流一般为1.2倍的额定电流,但是很多时候在配线时为了美观和节省线缆,将热继电器装于电源接触器的下方,三角形运行时经过热继电器主桩头的电流不是线电流,而是相电流,这样就不能用1....
什么是额定电流与整定电流?
额定电流:电气设备的额定电流是指在基准环境温度下,在额定电压工作条件下,发热不超过长期发热允许温度时所允许长期通过的最大电流.环境温度对长期允许通过的最大电流有很大的影响,由于设备安装位置的环境温度和...
电工基础
电气控制接线图
电气控制接线图是表示成套装置、设备或装置连接关系,用以进行接线和检查的一种简图或表格。 图中显示出电气设备中各个元件的实际空间位置与接线情况,便于安装电气设备和电气元件进行配线或检修电气故障服务的。 ...
电工基础
电气控制原理图的绘制原则
把一个电气元件的各部件以分开的形式进行绘制,适用于研究和分析电路工作原理,其主要绘制原则是: (1)电路应是未通电时的状态,机械开关应是循环开始前的状态。 (2)原理图上的主电路、控制电路和信号电路应...
电气图中的图形符号与文字符号
一、图形符号 通常用于图样或其它文件中,用来表示一个设备或概念的图形、标记或字符。 1.符号要素 一种具有确定意义的简单图形,必须同其它图形组合才构成一个设备或概念的完整符号。 2.一般符号 ...
电工基础
什么是电气控制原理图
电气控制电路图一般分为主电路(或称一次接线)和辅助电路(或称二次接线)两部分。 主电路一般用粗实线画出,以区别于辅助电路。辅助电路由继电器和接触器的线圈、继电器的触点、接触器的辅助触点、按钮、信号灯、...
电路图的主要用途
电路图是将图形符号按工作顺序排列,详细表示电路、设备或成套装置的全部基本组成和连接关系,而不考虑电器实际位置的一种简图。 电路图的目的是便于详细理解控制系统的作用原理、分析和计算电路特性。 电路图的主...
电工基础
刀开关的结构与工作原理
刀开关一般用于电气设备中不频繁接通或断开的电路,换接电源和负载等。隔离电源的刀开关亦称作隔离开关。 按刀数可分为单极、双极和三极。用手扳动手柄实现触刀插入或脱离操作的控制。 刀开关在安装时,手柄应向上...
