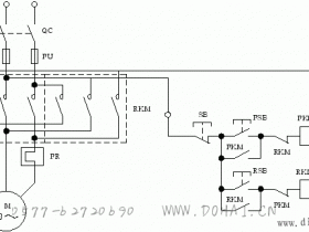
1、行程控制(基本) 行程控制的核心其实就是增加了限位开关,通过限位开关来起到机械到达一定位置后自动停止或往回运动的功能 说明:* 正程运行过程:按下SB2→正向运行→至右极端位置撞开STA→电机及机...			
			
										
												
							
				
	 电动机
						电动机
					 电动机
						电动机
					 电动机
						电动机
					 电动机
						电动机
					 电动机
						电动机
					 电工基础
						电工基础
					 电动机
						电动机
					 电动机
						电动机
					 电工基础
						电工基础
					 电工基础
						电工基础