一、初级电工报考条件: 1.18周岁以上,初中以上文化 2.体检合格,身体健康,无癫痫、精神病、心脏病、突发性昏厥、色盲等妨碍电工作业的疾病及生理缺陷。 二、中级电工报名条件: 已有同工种《操作证》和...
进来看看家装电工不求人
一、强电系统施工的技术要求: 1. 配电箱安装位置:应安装在通风易操作位置,便于日常的操作及维修,箱体的底边离地面高度宜为1.8米。原配店箱位置一般不可移位,若需移位要加装过度盒并由设计、施工员确定方...
电气设计常见问题(初学者必看)
1,常见疑难问题之纯住宅消防(5-2) 某高层(高度小于100m)住宅楼底部设有多套一到两层的小商铺,每套总面积均小于300m2,此时的电气消防,是按纯住宅还是商住楼设计?如此建筑,要设火灾自动报警系...
防触电事故安全技术措施
为有效的防止和控制触电事故的发生,确保施工人员的人身安全特制定本措施如下: 一、支线架设 1、配电箱的电缆线应有套管,电线进出不混乱。大容量电箱上进线加滴水弯。 2、支线绝缘好,无老化、破损和漏电现象...
电气线路起火的主要原因和预防措施
一、电气线路起火的主要原因: (一)线路短路。所谓短路就是交流电路的两根导线互相触碰,电流不经过线路中的用电设备,而直接形成回路。由于电线本身的电阻比较小,若仅是通过电线这个回路,电流就会急剧增大...
什么叫三相电源和负载的星型连接?
将三相绕级的末端连接在一起,从首端分别引出导线,这就是星形连接。通常三相绕组的始端用A、B、C表示,末端用X、Y、Z表示。绕组始端的引出线称为火线。三个绕组末端连接在一起的公共点“O”称为中性点,从中...
保护接地和工作接地
1、保护接地 1) 保护接地(也称为安全接地)是为人身安全和电气设备安全而设置的接地。仪表与控制系统的外露导电部分,正常时不带电,在故障、损坏或非正常情况时可能带危险电压,对这样的设备,均应实施保护接...
接线端子的设计
接线端子产品的设计是集于:产品标准、材料、结构、电镀、认证、模具、及制造工艺的一种综合性设计,端子也不例外。 (一)产品标准起着总的指导思想,几乎所有的考虑都以它为依据,我们端子设计标准首先以UL和C...
电工基础
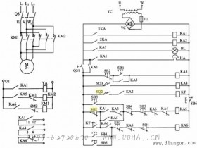
防火卷帘门的电气控制
第一步下放:当火灾产生烟时,来自消防中心的联锁信号(或直接与感烟探测器联锁) 1KA↑→KA1↑:信号灯H1↑→发出报警信号;给消防中心一个卷帘启动的信号;短接QS1,全部电路通以直流电;电磁铁YA↑...
电工基础
全电压启动稳压泵用途及电路原理
1.稳压泵的用途 稳压泵的用途是维持消防水管网压力,它将在电接点压力表的控制下启动和停止,以确保水的压力在设计规定的压力范围内,达到正常供消防用水之目的。因为当管网中有泄漏现象时,水压会...
