1、步距角精度: 步进电机每转过一个步距角的实际值与理论值的误差。用百分比表示:误差/步距角*100%。不同运行拍数其值不同,四拍运行时应在5%之内,八拍运行时应在15%以内。 2、失步: 电机运转时...
影响齿轮减速电机寿命的因素有哪些?
伺服电机就是可以实现精确控制,让它转多少它就转多少,而且它还会反馈,实现所谓的闭环,就是编码器去反馈看是否确实转了那么多,这样控制精度就更高。普通电机就是上电就转,没电就停,除了转如果还非要说它有什么...
伺服电机与普通电机的区别
伺服电机就是可以实现精确控制,让它转多少它就转多少,而且它还会反馈,实现所谓的闭环,就是编码器去反馈看是否确实转了那么多,这样控制精度就更高。普通电机就是上电就转,没电就停,除了转如果还非要说它有什么...

电液速度伺服控制系统
若系统的输出量为速度,将此速度反馈到输入端,并与输入量比较,就可以实现对系统的速度控制,这种控制系统称为速度伺服控制系统。 图 电液速度控制系统

电液位置伺服控制系统
应用场合:机床工作台的位置控制、机械手的定位控制、稳定平台水平位置控制。 按控制元件的种类和驱动方式分: 节流式控制(阀控式)系统(常用) 容积式控制(泵控式)系统 1、阀控液压缸电液位置控制系统 图...

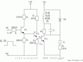
步进电动机驱动电路的种类
步进电动机驱动电路的种类很多,按其主电路结构分: 1、单电源驱动电路。 图1 单电源驱动电路 2、双电源驱动电路。 图2 高、低压驱动电路 3、伺服控制 (1) 执行部件的位移量控制 (2) 执行部件...

直流伺服系统结构和原理
图1 鉴幅型直流伺服系统的原理框图 1、位置检测与信号综合环节 (1)旋转变压器:是一种输出电压随转角变化的角位移测量装置。 (2)相敏放大器:将交流电压转换为与之成正比的直流电压,并使它的极性与输入...

伺服系统的结构组成及分类
图1 伺服系统的组成 1.控制器: 主要任务是根据输入信号和反馈信号决定控制策略。 2. 功率放大器:作用是将信号进行放大,并用来驱动执行机构完成某种操作。 3.执行机构:作用是根据控制...
伺服电机使用方法
交流伺服电机的转子通常做成鼠笼式,但为了使伺服电机具有较宽的调速范围、线性的机械特性,无“自转”现象和快速响应的性能,它与普通电动机相比,应具有转子电阻大和转动惯量小这两个特点。 目前应用较多的转子结...
力矩电机的调节方法
力矩电机在不平衡状态下运行,调节性能较差,但由于设备简单,这种调节形式应用较多,常用的单相调压方法有以下两种: 1、调压器接在两相之间。 2、调压器接在一相和零线之间,采用单相调节时应注意,在调压器调...