- A+
所属分类:电工弱电
下表为状态表
| 计数脉冲数 | 二进制数 | 十进制数 | |||
| Q3 | Q2 | Q1 | Q0 | ||
| 0 | 0 | 0 | 0 | 0 | 0 |
| 1 | 0 | 0 | 0 | 1 | 1 |
| 2 | 0 | 0 | 1 | 0 | 2 |
| 3 | 0 | 0 | 1 | 1 | 3 |
| 4 | 0 | 1 | 0 | 0 | 4 |
| 5 | 0 | 1 | 0 | 1 | 5 |
| 6 | 0 | 1 | 1 | 0 | 6 |
| 7 | 0 | 1 | 1 | 1 | 7 |
| 8 | 1 | 0 | 0 | 0 | 8 |
| 9 | 1 | 0 | 0 | 1 | 9 |
| 10 | 0 | 0 | 0 | 0 | 进位 |
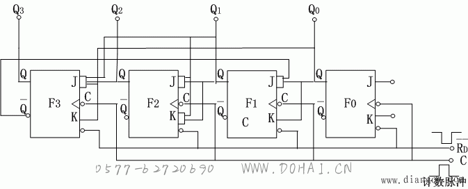
十进制加法计数器仍由四个主从型JK触发器组成,J,K端的逻辑关系式:
![]()
![]()
![]()
![]()
由上述逻辑关系式可得出下图所示的四位同步十进制加法计数器的逻辑图

下图是CT74LS290型二-五-十进制计数器的逻辑图,外引线排列图和功能表。

和
是清零输入端,
和
是置“9“输入端
1)只输入计数脉冲C0,由Q0输出,F1-F3三位触发器不用,为二进制计数器。
2)只输入计数脉冲C1,由Q3,Q2,Q1端输出,为五进制计数器
3)将Q0端与C1端联接,输入计数脉冲C0。这时,由逻辑图得出各位触发器的J,K端的逻辑关系式:
J0=1 K0=1
J1=Q3 K1=1
J2=1 K2=1
J3=Q2Q1 K3=1
而后逐步由现状态分析下一状态(从初始状态“0000“开始),一直分析到恢复”0000“为止。可知为8421码十进制计数器。
- 营销微信
- 报单询价扫一扫
-
- 技术微信
- 技术问题扫一扫
-




